* Вода без шока при температуре 120 ℃: 20 кгс/см²
* Пар, воздух, масло, импульсный поток при температуре 220 ℃: 16 кгс/см²
Вы можете отсканировать QR-код ниже или нажать кнопку электронной почты, чтобы отправить запрос на расчет стоимости.
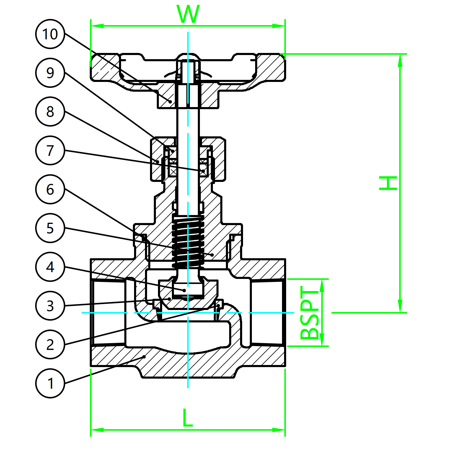
| Серия продукции: | Шаровой клапан | Модель: | RJ11H-16KQ |
| Проектирование и производство: | JIS 2031 | Лицом к лицу: | JIS B2011 |
| Размер: | 1/8"- 2" | Материал корпуса: | FCD450 |
| Материал капота: | FCD450 | Отделочный материал: | SS410 |
| Материал сиденья: | SS410 | Рабочее давление: | 10K , 16K , 20K |
| Максимальная температура: | +350 ℃ | Тест: | JIS B2003 |

Мобильный: +86-13566754217 Tracy.Hu
Почта: [email protected]
Почта: [email protected]
COPYRIGHT © YONGKANG LIANGGONG VALVE CO., LTD. ALL RIGHTS RESERVED. 浙ICP备20003517号-1

