* Конец фланца: BS EN 1092-2.
* Опционально: чугун/ковкий чугун
* Лицо к лицу: EN558-1.
* Проверка и проверка клапана: EN 12266-1.
Вы можете отсканировать QR-код ниже или нажать кнопку электронной почты, чтобы отправить запрос на расчет стоимости.
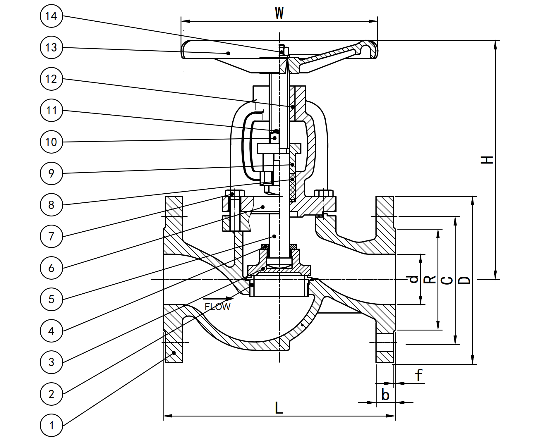
| Серия продукции: | Шаровой клапан | Модель: | DJ41H-16Q |
| Проектирование и производство: | DIN3202-F1 | Стандарт: | DIN PN 16 PN25 PN40 |
| Размер: | DN15-DN350 | Материал корпуса: | Чугун GG25, Ковкий чугун GGG40 |
| Материал стебля: | SS304 | Материал сиденья: | Cr13 , A105 ect. |
| Рабочее давление: | 1.6MPA | Рабочая температура: | -10~300℃ |
| Связь: | EN1092-2 | Стандарт тестирования: | EN12266-1(PN16) |

Мобильный: +86-13566754217 Tracy.Hu
Почта: [email protected]
Почта: [email protected]
COPYRIGHT © YONGKANG LIANGGONG VALVE CO., LTD. ALL RIGHTS RESERVED. 浙ICP备20003517号-1

